90HOBD or 90VOBD and AL90HOBD or AL90VOBD — Single Deflection Supply with an Opposed-Blade Damper, Steel or Aluminum
- These models provide easily adjustable air control for any desired pattern in a single plane.
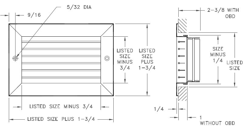
- Front row of adjustable blades are set on 3/4" centers to provide any required deflection.
- The opposed-blade damper ensures exacting volume control by spreading air equally over entire register face.
- Damper is screw driver operated. Extremely shallow depth allows damper to be used in shallow stack heads.
- Steel or Aluminum. Blades are individually adjustable and spring-stiffened at both ends.
- Bright White finish standard. Countersunk mounting holes
H means horizontal blades; V means vertical blades
